Q64S5F方型卫生法兰球阀
产品概述
• 阀体采用铸造、锻压等生产工艺,连接方式有法兰、焊接、快装、螺纹等连接方式• 球芯只需绕阀门轴转90°即可完成全开或全关,动作简单迅速• 密封圈采用独特的弹性唇缘密封技术,保证了零泄漏的切断要求,特有的自动补偿功能使阀门具有更长的使用寿命• 密封圈材料有聚四氟乙烯、增强型PTFE及硬密封等各种结构,适用于各种工况• 球芯表面硬化处理后,经磨削、抛光,平滑耐磨• 球芯等径直通式流道与管道内径基本相同,流阻小• 内装式阀杆具有更好的安全性和刚性
产品特点
• 阀体采用铸造、锻压等生产工艺,连接方式有法兰、焊接、快装、螺纹等连接方式
• 球芯只需绕阀门轴转90°即可完成全开或全关,动作简单迅速
• 密封圈采用独特的弹性唇缘密封技术,保证了零泄漏的切断要求,特有的自动补偿功能使阀门具有更长的使用寿命
• 密封圈材料有聚四氟乙烯、增强型PTFE及硬密封等各种结构,适用于各种工况
• 球芯表面硬化处理后,经磨削、抛光,平滑耐磨
• 球芯等径直通式流道与管道内径基本相同,流阻小
• 内装式阀杆具有更好的安全性和刚性
• 由于球芯与密封圈在开关过程中有剪切作用,故特别适用于如纸浆、污水与其他带颗粒的浆料类流体
• 可按用户要求加装防静电装置
标准规范
• 设计、制造标准:GB/T 12237-2007
• 法兰标准:国标GB/T、机械部JB/T、化工部HG/T、美标API、ANSI、德标DIN、日标JIS、JPI、英标BS
• 结构长度标准:GB/T 12221-2005
• 试验与检验标准:GB/T 13927-2008
• 驱动方式:手动、可配驱动(气动、电动 )
• 公称通径:DN15~DN100 ISO19.05 ~ 101.6
• 公称压力:1.0MPa,1.6MPa
• 适用温度:国产PTFE -10~100℃、进口PTFE -10~150℃
• 适用介质:气体、水、油
• 可配驱动:手动、电动、气动、液动
• 连接标准:卫生法兰
• 阀体材质:CF8(304)、CF3(304L)、CF8M(316)、CF3M(316L)
主要零件材料
阀体 | WCB | ZG1Cr18Ni9Ti | CF8 | CF3 | ZG1Cr18Ni12Mo2Ti | CF8M | CF3M |
球体 阀杆 | 1Cr13 | 1Cr18Ni9Ti | 304 | 304L | 1Cr18Ni12Mo2Ti | 316 | 316L |
阀座 | 聚四氟乙烯PTFE加坡纤增强聚四氟乙烯PTFE+Glass 对位聚笨PPL |
垫片 | 聚四氟乙烯PTFE不锈钢/柔性石墨 |
阀杆座 | 聚四氟乙烯PTFE不锈钢/柔性石墨 |
填料 | 聚四氟乙烯PTFE增强柔性石墨 |
填料压盖 | WCB | 1Cr18Ni9Ti | 304 | 304L | 1Cr18Ni12Mo2Ti | 316 | 316L |
温度 | 国产PTFE -10~100℃ 进口PTFE -10~100℃ |
介质 | 水、蒸汽、油品 | 硝酸类 | 强氧化介质 | 醋酸类 | 尿素类 |
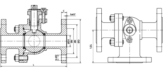
数 据
一系列DIN / A series of DIN

规格 | 配管外径 | d | D | K | N-M | T | L | F | H |
DN15 | Φ19×1.5 | 16 | 79 | 67.5 | 4-Φ7 | 10 | 135 | 135 | 77 |
DN20 | Φ23×1.5 | 20 | 79 | 67.5 | 4-Φ7 | 10 | 144 | 135 | 78 |
DN25 | Φ25×1.5 | 25 | 79 | 67.5 | 4-Φ7 | 10 | 169 | 135 | 95 |
DN32 | Φ32×1.5 | 31 | 79 | 67.5 | 4-Φ7 | 10 | 192 | 181 | 113 |
DN40 | Φ40×1.5 | 37 | 88 | 75 | 4-Φ7 | 10 | 192 | 181 | 113 |
DN50 | Φ53×1.5 | 50 | 100 | 87.2 | 4-Φ9 | 10 | 213 | 181 | 121 |
DN65 | Φ70×2 | 66 | 121 | 106 | 4-Φ9 | 10 | 241 | 181 | 135 |
DN80 | Φ85×2 | 81 | 140 | 125 | 4-Φ9 | 11 | 288 | 336 | 140 |
DN100 | Φ104×2 | 100 | 162 | 147.5 | 6-Φ9 | 11 | 329 | 436 | 158 |
二系列ISO / Second series ISO
规格 | 配管外径 | d | D | K | N-M | T | L | F | H |
3/4" | Φ19.05×1.5 | 16.05 | 79 | 67.5 | 4-Φ7 | 10 | 144 | 135 | 78 |
1" | Φ25.4×1.5 | 22.4 | 79 | 67.5 | 4-Φ7 | 10 | 169 | 135 | 95 |
1.25" | Φ31.8×1.5 | 28.8 | 79 | 67.5 | 4-Φ7 | 10 | 192 | 181 | 113 |
1.5" | Φ38.1×1.5 | 35.1 | 88 | 75 | 4-Φ7 | 10 | 192 | 181 | 113 |
2" | Φ50.8×1.5 | 47.8 | 100 | 87.2 | 4-Φ9 | 10 | 213 | 181 | 121 |
2.5" | Φ63.5×1.5(2) | 60.5(59.5) | 114 | 99 | 4-Φ9 | 10 | 241 | 181 | 135 |
3" | Φ76.2×2 | 72.2 | 130 | 115 | 4-Φ9 | 11 | 288 | 336 | 140 |
3.5" | Φ88.9×2 | 85 | 140 | 125 | 4-Φ9 | 11 | 288 | 336 | 140 |
4" | Φ101.6×2 | 97.6 | 162 | 147.5 | 6-Φ9 | 11 | 329 | 436 | 158 |