上海网野阀门制造有限公司
产品中心PRODUCT SHOW

致力于产品的良好用户体验、有效的网络营销效果而努力

D343TC 耐磨陶瓷法兰蝶阀

  • D343TC 耐磨陶瓷法兰蝶阀蝶板密封圈与阀座密封圈采用高性能增韧结构陶瓷材料,耐磨损耐腐蚀,阀体采用整体法兰式结构,结构紧凑,体积小,重量轻,操作灵活,启闭力矩小,广泛应用于各种高磨损场合。
立即咨询
全国热线135 2453 5400

详情介绍

D343TC 耐磨陶瓷法兰蝶阀


耐磨陶瓷法兰蝶阀--产品概述:
D343TC 耐磨陶瓷法兰蝶阀蝶板密封圈与阀座密封圈采用高性能增韧结构陶瓷材料,耐磨损耐腐蚀,阀体采用整体法兰式结构,结构紧凑,体积小,重量轻,操作灵活,启闭力矩小,广泛应用于各种高磨损场合。
耐磨陶瓷法兰蝶阀--产品详情

性能特点:
1. 法兰式陶瓷蝶阀蝶板密封圈与阀座密封圈采用高性能增韧结构陶瓷材料,耐磨损耐腐蚀,阀体采用整体法兰式结构,结构紧凑,体积小,重量轻,操作灵活,启闭力矩小,广泛应用于各种高磨损场合。
2. 密封副间三偏心锥角结构使蝶阀开启瞬间两密封面马上相互脱离,确保密封副间相互无摩擦。
3. 密封副间三偏心结构关闭时具有越关越紧的功能,密封更加可靠,达到不泄漏,并且具有双向密封功能。
4. 耐高温、高压、耐腐蚀、使用寿命长,享有“与管道同寿命”之美誉。
5. 具有密封调节性能,密封性能下降时,可调节密封圈向阀座靠近,即可恢复密封性能。
6. 工况需要时,通过调节蝶阀的启闭角度,进而起到调节流量的作用。
耐磨陶瓷法兰蝶阀--主要零部件材料:

主体:碳钢(WCB)、不锈钢(CF8、CF8M、CF3、CF3M)等
蝶板:不锈钢+增韧结构陶瓷
阀座:增韧结构陶瓷
阀杆:不锈钢
填料:橡胶/聚四乙烯/编织石墨
公称通径:DN50-DN500(2"-20")
公称压力:PN6-PN25
适用温度:-29~+425℃
操作方式:手轮,伞齿轮、气动、电动、液动、电液(可选)
适用介质:纸浆、污水、煤浆、矿渣等磨损性介质
D343TC 耐磨陶瓷法兰蝶阀--技术规范:
 设计与制造 GB/T 12224
 连接端尺寸 结构长度GB/T 12221 
法兰尺寸  GB/T9113
 检验与试验GB/T 13927 
 材料碳钢 GB/T 12229 
 不锈钢Gb/T 12230 
 标志Gb/T 12220 
 供货Gb/T 12252 


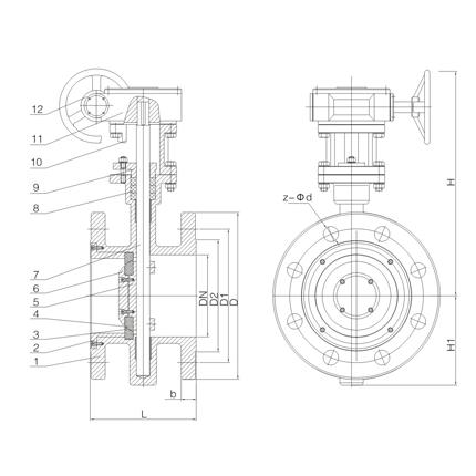
D343TC 耐磨陶瓷法兰蝶阀--主要连接尺寸:

 DN PN(Mpa) L D D1 D2 H H1 z-Φd
 501.0  108 140125  100254  854-Φ18 
 65 112 160 145 120 278 95 4-Φ18
 80 114 185 160 135 312 1064-Φ18 
 100 127 205 180 155 330 1148-Φ18 
 125 140 235 210 185 365 130 8-Φ18
 150 140 260 240 210 404 1488-Φ23
 200 152 315 295 265 496 1768-Φ23
 250 165 370 350 320 558 210 8-Φ23
 300 178435  400368  632238 8-Φ23

    

标签:

135 2453 5400

全国服务热线

Copyright © 2024 上海网野阀门制造有限公司 All Rights Reserved. 沪ICP备17008218号
上海网野阀门制造有限公司扫一扫咨询微信客服
在线客服
服务热线

服务热线

135 2453 5400

微信咨询
上海网野阀门制造有限公司
返回顶部