CCQ-A 气动超高真空插板阀
CCQ-A型超高真空插板阀--产品介绍:
CCQ-A型超高真空插板阀是通过电磁换向阀改变气路方向,控制执行气缸驱动阀板作上下运动,达到阀门的开启或关闭。超高真空插板阀门用于接通或切断真空管路中的气流。超高真空插板阀适用介质为纯净空气和非腐蚀性气体。超高真空插板阀带反馈信号装置。
CCQ-Apneumatic ultra-high vacuum gate valve uses solenoid directional valve to change the direction of air passage, and controls the actuating cylinder to drive the valve disc up and down to make the valve opened or closed. It is used to put through or cut off the air passage in vacuum pipeline. Applicable medium can be pure air and noncorrosive gases.
With signal feedback device.
CCQ-A型超高真空插板阀主要零件材料
阀体、阀板:不锈钢
密封件:氟橡胶、波纹管(轴封)、丁腈橡胶
超高真空插板阀主要技术性能
适用范围:105~1.3×10-7 Pa
阀门漏率:≤1.3×10-7Pa.L/S(DN≤200);≤6.7×10-7Pa.L/S(DN≤250)
适用温度:30~+150℃
阀门开启时阀板两侧的压差:≤2.7×103Pa
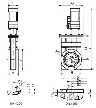
外形及连接尺寸(mm) Overall and Connection Dimensions(mm) |
|
|
Model 型号 | DN | A | H | D | Do | D1 | D2 | D3 | L | L1 | G | E | n-d | 法兰标准 | CCQ-50 | 50 | 60 | 92 | 89 | 72.4 | 61.6 | 55.6 |
| 515 | 153 | 220 | 65 | 8-M8 | GB6071 | CCQ-63 | 63 | 65 | 105 | 114 | 92.1 | 82.6 | 76.6 |
| 566 | 180 | 220 | 80 | 8-M8 | CCQ-80 | 80 | 65 | 130 | 130 | 110 | 99 | 93 |
| 603 | 200 | 220 | 80 | 16-M8 | CCQ-100 | 100 | 70 | 152 | 152 | 130.2 | 120.7 | 114.7 |
| 653 | 267 | 220 | 95 | 16-M8 | CCQ-150 | 150 | 70 | 202 | 202 | 181 | 171.5 | 165.5 |
| 771 | 350 | 270 | 95 | 20-M8 | CCQ-200 | 200 | 80 | 251 | 253 | 231.8 | 222.3 | 216.6 |
| 889 | 424 | 270 | 115 | 24-M8 | CCQ-250 | 250 | 85 | 300 | 314 | 288 | 308 | 275 | 271 | 1127 | 574 | 350 | 140 | 24-M10 | JB5278 | CCQ-300 | 300 | 85 | 352 | 365 | 338 | 353 | 323 | 318 | 1197 | 613 | 420 | 140 | 32-M10 |
| CCQ-320 | 320 | 85 | 372 | 385 | 357 | 379 | 344 | 340 | 1197 | 613 | 440 | 140 | 36-M10 | JB5278 | CCQ-400 | 400 | 110 | 456 | 497 | 454 | 480 | 440 | 436 | 1666 | 810 | 536 | 180 | 36-M12 | CCQ-500 | 500 | 135 | 595 | 590 | 555 | 580 | 540 | 536 | 1835 | 870 | 640 | 220 | 40-M12 | CCQ-630 | 630 | 135 | 690 | 700 | 658 | 680 | 639 | 635 | 1930 | 960 | 780 | 280 | 40-M16 | CCQ-800 | 800 | 150 | 880 | 890 | 855 | 880 | 835 | 831 | 2200 | 1100 | 950 | 350 | 60-M16 |
|