DDC-JQ-B 电磁高真空带充气阀
DDC-JQ-B型系列电磁真空带充气阀是安装在机械式真空泵上的专用阀门。阀门与泵接在同一电源上,泵的开启与停止直接控制了阀的开启与关闭。当泵停止工作或电源突然中断时,阀能自动将真空系统封闭,并将大气通过泵的进气口充入泵腔,避免泵油返流污染真空系统。适用的工作介质为空气及非腐蚀性气体。DDC-JQ-B型系列电磁真空带充气阀--主要技术性能:
| 适用范围(Pa) | 105~1x10-2 |
| 阀门漏率(Pa.L/S) | <6.7x10-4 |
| 适用温度(℃) | -25~+50 |
| 线圈温升(℃) | ≤65 |
| 开闭时间(S) | ≤3 |
| 电源电压(V/Hz) | 220±10%/50 |
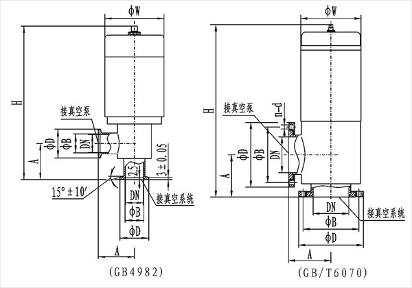
DDC-JQ-B型系列电磁真空带充气阀--连接及外形尺寸(GB/T6070)
| 型号 | 通径(DN) | ΦW | ΦD | ΦB | H | A | n-d | 法兰标准 |
| DDC-JQ16B | 16 | 68 | 30 | 17.2 | 191 | 40 | / | GB4982 |
| DDC-JQ25B | 25 | 82 | 40 | 26.2 | 202 | 50 |
| DDC-JQ32B | 32 | 92 | 55 | 41.2 | 244 | 50 |
| DDC-JQ40B | 40 | 110 | 55 | 41.2 | 275 | 65 |
| DDC-JQ50B | 50 | 125 | 110 | 90 | 314 | 80 | 4-Φ9 | GB/T6070 |
| DDC-JQ65B | 65 | 135 | 130 | 110 | 343 | 88 | 4-Φ9 |
| DDC-JQ80B | 80 | 135 | 145 | 125 | 387 | 95 | 4-Φ9 |
| DDC-JQ100B | 100 | 165 | 165 | 145 | 399 | 108 | 8-Φ9 |