

J941H,J941W电动截止阀属于强制密封式阀门,所以在阀门关闭时,必须向阀瓣施加压力,以强制密封面不泄漏。当介质由阀瓣下方进入阀门时,操作力所需要克服的阻力,是阀杆和填料的摩擦力与由介质的压力所产生的推力,关阀门的力比开阀门的力大,所以阀杆的直径要大,否则会发生阀杆顶弯的故障。近年来,从自密封的阀门出现后,截止阀的介质流向就改由阀瓣上方进入阀腔,这时在介质压力作用下,关阀门的力小,而开阀门的力大,阀杆的直径可以相应地减少。同时,在介质作用下,这种形式的阀门也较严密。我国阀门“三化给”曾规定,截止阀的流向,一律采用自上而下。
电动截止阀开启时,阀瓣的开启高度,为公称直径的25%~30%时,流量已达到最大,表示阀门已达全开位置。所以截止阀的全开位置,应由阀瓣的行程来决定。
二、J941H/W电动截止阀--执行标准
| 设计与制造 | 结构长度 | 法兰尺寸 | 压力-温度 | 试验-检验 |
| GB122235 | GB12221 | GB9113 JB79 | GB9131 | GB/T13927 JB/T9092 |
| 公称压力 | 1.6 | 2.5 | 4.0 | 6.4 | 10.0 | 16.0 |
| 强度试验 | 2.4 | 3.8 | 6.0 | 9.6 | 15.0 | 24.0 |
| 水密封试验 | 1.8 | 2.8 | 4.4 | 7.0 | 11.0 | 18.0 |
| 上密封试验 | 1.8 | 2.8 | 4.4 | 7.0 | 11.0 | 18.0 |
| 气密封试验 | 0.5-0.7 | |||||
| 体、盖、板 | 阀杆 | 密封面 | 垫片 | 填料 | 工作温度℃ | 适用介质 | |
| WCB | 2Cr13 | 13Cr STL 木体材料 With Body Material 尼龙 Nylon | 增强柔性石墨 Enhanced Flexible Graphite 13Cr/柔性石墨 1Cr13/Flexible Graphite 08软钢 08 Soft Steal 0Cr18Ni9Ti 0Cr17Ni12Mo2Ti XD550F(T) PTFE | 柔性石墨 增强柔性石墨 Flexible Graphite Enhanced Flexible Graphite SFB/260 SFP/260 PTFE | ≤425 | 水 蒸汽 油品 | |
| WC1 | 38CrMoAl 25Cr2MoV | ≤450 | |||||
| WC6 | ≤540 | ||||||
| WC9 | ≤570 | ||||||
| C5 C12 | ≤540 | ||||||
| ZGCr5Mo | ≤200 | 硝酸类 | |||||
| ZG1Cr18Ni9Ti | 1Cr18Ni9Ti | ||||||
| ≤200 | 醋酸类 | ||||||
| ZG1Cr18Ni12Mo2Ti | 1Cr18Ni12Mo2Ti |
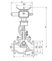
| 1.6MPa | DN | L | D | D1 | D2 | b | n-φd | H | Do | 重量 |
| 凸面 法兰 RF J941H J941Y J941W J941F J941N 16C 16P 16R 16I | 10 | 130 | 90 | 60 | 40 | 14 | 4-14 | 198 | 120 | 4.9 |
| 15 | 130 | 95 | 65 | 45 | 14 | 4-14 | 218 | 120 | 5.3 | |
| 20 | 150 | 105 | 75 | 55 | 14 | 4-14 | 258 | 140 | 7.0 | |
| 25 | 160 | 115 | 85 | 65 | 14 | 4-14 | 275 | 160 | 7.4 | |
| 32 | 180 | 135 | 100 | 78 | 16 | 4-18 | 280 | 180 | 8.3 | |
| 40 | 200 | 145 | 110 | 85 | 16 | 4-18 | 330 | 200 | 12.6 | |
| 50 | 230 | 160 | 125 | 100 | 16 | 4-18 | 350 | 240 | 14 | |
| 65 | 290 | 180 | 145 | 120 | 18 | 4-18 | 400 | 280 | 22.7 | |
| 80 | 310 | 195 | 160 | 135 | 20 | 8-18 | 355 | 280 | 29 | |
| 100 | 350 | 215 | 180 | 155 | 20 | 8-18 | 415 | 320 | 32.8 | |
| 125 | 400 | 245 | 210 | 185 | 22 | 8-18 | 460 | 360 | 79.5 | |
| 150 | 480 | 280 | 240 | 210 | 24 | 8-23 | 510 | 400 | 93 | |
| 200 | 600 | 335 | 295 | 265 | 26 | 12-23 | 710 | 400 | 179 | |
| 250 | 622 | 405 | 355 | 320 | 30 | 12-25 | 786 | 450 | 441 | |
| 300 | 698 | 460 | 410 | 375 | 30 | 12-25 | 925 | 500 | 646 |
| 2.5MPa | DN | L | D | D1 | D2 | b | n-φd | H | Do | 重量 |
| 凸面法兰 RF J941H J941Y J941W J941F J941N 16C 16P 16R 16I | 10 | 130 | 90 | 60 | 40 | 16 | 4-14 | 198 | 120 | 4.9 |
| 15 | 130 | 95 | 65 | 45 | 16 | 4-14 | 218 | 120 | 5.3 | |
| 20 | 150 | 105 | 75 | 55 | 16 | 4-14 | 258 | 140 | 7.0 | |
| 25 | 160 | 115 | 85 | 65 | 16 | 4-14 | 275 | 160 | 7.4 | |
| 32 | 180 | 135 | 100 | 78 | 18 | 4-18 | 280 | 180 | 8.3 | |
| 40 | 200 | 145 | 110 | 85 | 18 | 4-18 | 330 | 200 | 12.6 | |
| 50 | 230 | 160 | 125 | 100 | 20 | 8-18 | 350 | 240 | 16 | |
| 65 | 290 | 180 | 145 | 120 | 22 | 8-18 | 400 | 280 | 25 | |
| 80 | 310 | 195 | 160 | 135 | 22 | 8-23 | 355 | 280 | 30 | |
| 100 | 350 | 230 | 190 | 160 | 24 | 8-25 | 415 | 320 | 34.8 | |
| 125 | 400 | 270 | 220 | 188 | 28 | 8-25 | 460 | 360 | 89.5 | |
| 150 | 480 | 300 | 250 | 218 | 30 | 12-25 | 510 | 400 | 99 | |
| 200 | 600 | 360 | 310 | 278 | 34 | 12-25 | 710 | 400 | 181 | |
| 250 | 622 | 425 | 370 | 332 | 36 | 12-30 | 786 | 450 | 445 | |
| 300 | 698 | 485 | 430 | 390 | 40 | 16-30 | 925 | 500 | 651 |
| 4.0MPa | DN | L | D | D1 | D2 | b | n-φd | H | D0 | 重量Weight |
| 凹凸法兰 MFM J941H J941Y J941W J941F J941N 40 40P 40R 40I | 20 | 150 | 105 | 75 | 51 | 16 | 4-14 | 275 | 140 | 7 |
| 25 | 160 | 115 | 85 | 58 | 16 | 4-14 | 285 | 160 | 9 | |
| 32 | 180 | 135 | 100 | 66 | 18 | 4-18 | 302 | 180 | 12 | |
| 40 | 200 | 145 | 110 | 76 | 18 | 4-18 | 355 | 200 | 17 | |
| 50 | 230 | 160 | 125 | 88 | 20 | 4-18 | 373 | 240 | 24 | |
| 65 | 290 | 180 | 145 | 110 | 22 | 8-18 | 408 | 280 | 33 | |
| 80 | 310 | 195 | 160 | 121 | 22 | 8-18 | 436 | 320 | 44 | |
| 100 | 350 | 230 | 190 | 150 | 24 | 8-23 | 480 | 360 | 60 | |
| 125 | 400 | 270 | 220 | 176 | 28 | 8-25 | 588 | 400 | 90 | |
| 150 | 480 | 300 | 250 | 204 | 30 | 8-25 | 611 | 400 | 100 | |
| 200 | 533 | 375 | 320 | 260 | 38 | 12-30 | 720 | 400 | 190 | |
| 6.4MPa | 20 | 190 | 125 | 90 | 51 | 20 | 4-18 | 228 | 160 | 13 |
| 凹凸法兰 MFM J941H J941Y J941W J941F J941N 40 40P 40R 40I | 25 | 210 | 135 | 100 | 58 | 22 | 4-18 | 275 | 180 | 15 |
| 32 | 230 | 150 | 110 | 66 | 24 | 4-23 | 325 | 200 | 19 | |
| 40 | 260 | 165 | 125 | 76 | 24 | 4-23 | 360 | 240 | 25 | |
| 50 | 300 | 175 | 135 | 88 | 26 | 4-23 | 410 | 280 | 35 | |
| 65 | 340 | 200 | 160 | 110 | 28 | 8-23 | 450 | 320 | 48 | |
| 80 | 380 | 210 | 170 | 121 | 30 | 8-23 | 485 | 360 | 56 | |
| 100 | 430 | 250 | 200 | 150 | 32 | 8-25 | 537 | 400 | 125 | |
| 125 | 500 | 295 | 240 | 176 | 36 | 8-30 | 631 | 400 | 130 | |
| 150 | 550 | 340 | 280 | 204 | 38 | 8-34 | 646 | 450 | 160 | |
| 200 | 650 | 405 | 345 | 260 | 44 | 12-34 | 813 | 500 | 285 | |
| 10.0MPa | 10 | 170 | 100 | 70 | 35 | 20 | 4-14 | 198 | 120 | 6 |
| 凹凸法兰 MFM J941H J941Y J941W J941F J941N 100 100P 100R 100I | 15 | 170 | 105 | 75 | 40 | 20 | 4-14 | 202 | 140 | 11 |
| 20 | 190 | 125 | 90 | 51 | 22 | 4-18 | 228 | 160 | 13 | |
| 25 | 210 | 135 | 100 | 58 | 24 | 4-18 | 250 | 180 | 14 | |
| 32 | 230 | 150 | 110 | 66 | 24 | 4-23 | 326 | 220 | 16 | |
| 40 | 260 | 165 | 125 | 76 | 26 | 4-23 | 359 | 240 | 30 | |
| 50 | 300 | 195 | 145 | 88 | 28 | 4-25 | 414 | 280 | 50 | |
| 65 | 340 | 220 | 170 | 110 | 32 | 8-25 | 434 | 320 | 65 | |
| 80 | 380 | 230 | 180 | 121 | 34 | 8-25 | 547 | 400 | 100 | |
| 100 | 430 | 265 | 210 | 150 | 38 | 8-30 | 621 | 450 | 116 | |
| 125 | 500 | 310 | 250 | 176 | 42 | 8-34 | 732 | 450 | 150 | |
| 150 | 550 | 350 | 290 | 204 | 46 | 12-34 | 840 | 500 | 300 | |
| 200 | 650 | 430 | 360 | 260 | 54 | 12-41 | 925 | 550 | 600 | |
| 16.0 | 15 | 170 | 110 | 75 | 40 | 24 | 4-18 | 148 | 140 | 12 |
| 环槽法兰 RTJ J941H J941Y J941W 160 160P 160R 160I | 20 | 190 | 130 | 90 | 51 | 26 | 4-23 | 156 | 160 | 15 |
| 25 | 210 | 140 | 100 | 58 | 28 | 4-23 | 175 | 180 | 17 | |
| 32 | 230 | 165 | 115 | 66 | 30 | 4-25 | 200 | 200 | 21 | |
| 40 | 260 | 175 | 125 | 76 | 32 | 4-27 | 231 | 240 | 31 | |
| 50 | 300 | 215 | 165 | 88 | 36 | 8-25 | 262 | 250 | 53 | |
| 65 | 340 | 245 | 190 | 110 | 44 | 8-30 | 303 | 320 | 70 | |
| 80 | 380 | 260 | 205 | 121 | 46 | 8-30 | 341 | 400 | 100 | |
| 100 | 430 | 300 | 240 | 150 | 48 | 8-34 | 485 | 450 | 120 |


135 2453 5400
全国服务热线
扫一扫咨询微信客服服务热线
