

· 1 产品型号: BD343H
· 2 公称通径: NPS2″~80″、DN50~DN2000
· 3 压力范围: Class150~1500Lb,PN0.6~2.5MPa
· 4 工作温度: -196℃~+600℃
· 5 主体材质: 碳钢、不锈钢、合金钢
· 6 传动形式: 齿轮传动
· 7 设计标准: API 609、ASME B16.34、GB/T12238、GB/T12224、JB/T 8527
· 8 结构长度: API 609、ASME B16.10、GB/T12221、
· 9 连接标准: ASME B16.5、ASME B16.47、ASME B16.25、GB/T 9113、HG/T 20592
· 10 检验与测试: API 598、GB/T13927、JB/T9092 、GB/T 26480
· 11 防火测试: API 607
· 12 压力与温度等级: ASME B16.34、GB/T 12224
一、BD343H 保温蝶阀 产品简介:
BD343H 保温蝶阀 也称夹套蝶阀,是在普通三偏心金属硬密封蝶阀的基础上在阀体外部焊装了金属夹套,在保温蝶阀的阀体两侧装有夹套接口,可涵入蒸汽或其它过热气体,以防止介质在常温状态下凝固或结晶。保温蝶阀的法兰较普通金属硬密封蝶阀要大一到两个规格,主要用于石油、化工、冶金、制药等各类系统。
二、BD343H 保温蝶阀 工作原理:
BD343H保温蝶阀的阀体与蝶板采用三维偏心原理设计,使密封面的空间运动轨迹达到理想化,密封副之间无磨损、无干涉、加之密封材料选择合理阀座堆焊stl合金,从而使整个阀座的密封性,耐高温性、耐磨性、耐腐蚀性能得到可靠保证。
三、BD343H 保温蝶阀 产品特点:
1、保温效果好,节能省耗,使用寿命长等优点目前是硫回装置较为理想的产品。
2、采用三维偏心原理设计,使密封面的空间运动轨迹达到最理想化。
3、开启力矩小、灵活方便而且三维偏心结构能使蝶板越关越紧,密封性更可靠。
4、密封副之间无磨损、无干涉、加之密封材料选择合理阀座堆焊stl合金,从而使整个阀座的密封性,耐高温性、耐磨性、耐腐蚀性能得到可靠保证。
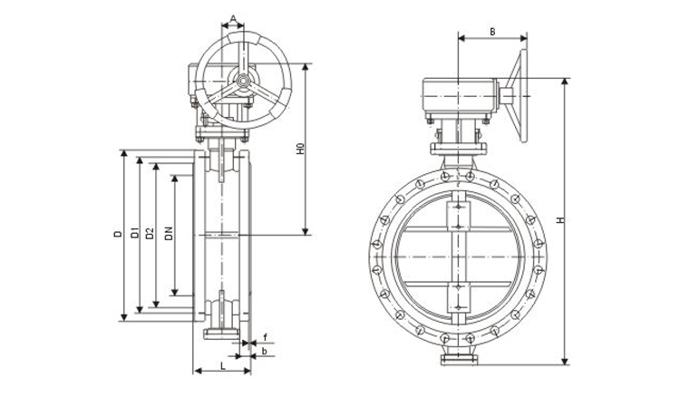
四、BD343H 保温蝶阀

dn(mm) | 结构长度 | 外形尺寸(参考值) | 连接尺寸(标准值) | 48-48 | ||||||||||||||||
l | h | bdd343h | bdd643h | bdd943h | pn0.6mpa | pn1.6mpa | ||||||||||||||
mm | inch | brief | long | h1 | a1 | b1 | h2 | a2 | b2 | h3 | a3 | b3 | d | d1 | z-d | d | d1 | z-d | ||
50 | 2 | 108 | 150 | 112 | 350 | 180 | 200 | 625 | 245 | 72 | 530 | 250 | 255 | 140 | 110 | 4-14 | 165 | 125 | 4-18 | 17 |
65 | 21/2 | 112 | 170 | 115 | 370 | 180 | 200 | 625 | 245 | 72 | 530 | 250 | 255 | 160 | 130 | 4-14 | 185 | 145 | 4-18 | 20 |
80 | 3 | 114 | 180 | 120 | 380 | 180 | 200 | 645 | 245 | 72 | 565 | 250 | 255 | 190 | 150 | 4-18 | 200 | 160 | 8-18 | 23 |
100 | 4 | 127 | 190 | 138 | 420 | 180 | 200 | 675 | 355 | 92 | 600 | 250 | 255 | 210 | 170 | 4-18 | 220 | 180 | 8-18 | 25 |
125 | 5 | 140 | 200 | 164 | 460 | 180 | 200 | 715 | 355 | 92 | 640 | 250 | 255 | 240 | 200 | 8-18 | 250 | 210 | 8-18 | 40 |
150 | 6 | 140 | 210 | 175 | 555 | 270 | 280 | 800 | 355 | 92 | 705 | 300 | 315 | 265 | 225 | 8-18 | 285 | 240 | 8-22 | 47 |
200 | 8 | 152 | 230 | 200 | 760 | 400 | 425 | 850 | 250 | 170 | 775 | 300 | 315 | 320 | 280 | 8-18 | 340 | 295 | 8-22 | 60 |
250 | 10 | 165 | 250 | 243 | 830 | 400 | 425 | 925 | 250 | 170 | 945 | 300 | 315 | 375 | 335 | 12-18 | 365 | 350 | 12-22 | 95 |
300 | 12 | 178 | 270 | 250 | 895 | 450 | 560 | 1035 | 450 | 220 | 1070 | 300 | 315 | 440 | 395 | 12-22 | 445 | 400 | 12-22 | 124 |
350 | 14 | 190 | 290 | 280 | 950 | 450 | 560 | 1070 | 450 | 220 | 1140 | 300 | 315 | 490 | 445 | 12-22 | 505 | 460 | 16-22 | 181 |
400 | 16 | 216 | 310 | 305 | 1190 | 535 | 580 | 1190 | 450 | 220 | 1210 | 300 | 315 | 540 | 495 | 16-22 | 565 | 515 | 16-22 | 260 |
450 | 18 | 222 | 330 | 350 | 1255 | 535 | 580 | 1250 | 650 | 280 | 1335 | 575 | 714 | 595 | 550 | 16-22 | 615 | 565 | 16-26 | 338 |
500 | 20 | 229 | 350 | 380 | 1305 | 535 | 580 | 1290 | 650 | 280 | 1415 | 575 | 714 | 645 | 600 | 20-22 | 670 | 620 | 20-26 | 360 |
600 | 24 | 267 | 390 | 445 | 1340 | 570 | 660 | 1455 | 850 | 380 | 1605 | 656 | 810 | 755 | 705 | 20-26 | 780 | 725 | 20-26 | 540 |
700 | 28 | 292 | 430 | 480 | 1520 | 750 | 550 | 1585 | 850 | 380 | 1844 | 656 | 810 | 860 | 810 | 24-26 | 895 | 840 | 20-30 | 580 |
800 | 32 | 318 | 470 | 530 | 1710 | 750 | 550 | 1700 | 1250 | 380 | 2040 | 656 | 810 | 975 | 920 | 24-30 | 1015 | 950 | 24-30 | 845 |
900 | 36 | 330 | 510 | 580 | 1810 | 750 | 550 | 1965 | 1250 | 380 | 2255 | 785 | 863 | 1075 | 1020 | 24-30 | 1115 | 1050 | 24-33 | 1050 |
1000 | 40 | 410 | 550 | 650 | 1960 | 900 | 750 | 2015 | 1250 | 380 | 2380 | 785 | 863 | 1175 | 1120 | 28-30 | 1230 | 1160 | 28-33 | 1500 |
1200 | 48 | 470 | 630 | 760 | 2250 | 1000 | 925 | 2250 | 1250 | 380 | 2640 | 785 | 863 | 1405 | 1340 | 32-33 | 1455 | 1380 | 28-36 | 2000 |
1400 | 56 | 530 | 710 | 850 | 2435 | 1000 | 925 | 2886 | 1630 | 1560 | 36-36 | 1675 | 1590 | 32-39 | 3000 | |||||
1600 | 64 | 600 | 790 | 1030 | 2780 | 1000 | 925 | 3156 | 1830 | 1760 | 40-36 | 1915 | 1820 | 36-42 | 4700 | |||||
1800 | 72 | 670 | 870 | 1230 | 3020 | 1100 | 980 | 3421 | 2045 | 1970 | 44-39 | 2115 | 2020 | 40-48 | 6500 | |||||
2000 | 80 | 760 | 950 | 1350 | 3270 | 1100 | 980 | 3685 | 2265 | 2180 | 48-42 | 2325 | 2230 | 44-48 | 8700 | |||||
五、BD343H法兰 保温蝶阀
dn(mm) | 结构长度 | 外形尺寸(参考值) | 连接尺寸(标准值) | 48-48 | ||||||||||||||||
l | h | bdd343h | bdd643h | bdd943h | pn0.6mpa | pn1.6mpa | ||||||||||||||
mm | inch | brief | long | h1 | a1 | b1 | h2 | a2 | b2 | h3 | a3 | b3 | d | d1 | z-d | d | d1 | z-d | ||
50 | 2 | 108 | 150 | 112 | 350 | 180 | 200 | 625 | 245 | 72 | 530 | 250 | 255 | 165 | 125 | 4-14 | 165 | 125 | 4-18 | 19 |
65 | 21/2 | 112 | 170 | 115 | 370 | 180 | 200 | 625 | 245 | 72 | 530 | 250 | 255 | 185 | 145 | 4-14 | 185 | 145 | 8-18 | 22 |
80 | 3 | 114 | 180 | 120 | 380 | 180 | 200 | 645 | 245 | 72 | 565 | 250 | 255 | 200 | 160 | 4-18 | 200 | 160 | 8-18 | 25 |
100 | 4 | 127 | 190 | 138 | 420 | 180 | 200 | 675 | 355 | 92 | 600 | 250 | 255 | 220 | 180 | 4-18 | 235 | 190 | 8-22 | 28 |
125 | 5 | 140 | 200 | 164 | 460 | 180 | 200 | 715 | 355 | 92 | 640 | 250 | 255 | 250 | 210 | 8-18 | 270 | 220 | 8-26 | 43 |
150 | 6 | 140 | 210 | 175 | 555 | 270 | 280 | 800 | 355 | 92 | 705 | 300 | 315 | 285 | 240 | 8-18 | 300 | 250 | 8-26 | 50 |
200 | 8 | 152 | 230 | 200 | 760 | 400 | 425 | 850 | 250 | 170 | 775 | 300 | 315 | 340 | 295 | 8-18 | 360 | 310 | 12-26 | 64 |
250 | 10 | 165 | 250 | 243 | 830 | 400 | 425 | 925 | 170 | 945 | 300 | 315 | 405 | 355 | 12-18 | 425 | 370 | 12-30 | 99 | |
300 | 12 | 178 | 270 | 250 | 895 | 450 | 560 | 1035 | 450 | 220 | 1070 | 300 | 315 | 460 | 410 | 12-22 | 485 | 430 | 16-30 | 130 |
350 | 14 | 190 | 290 | 280 | 950 | 450 | 560 | 1070 | 450 | 220 | 1140 | 300 | 315 | 520 | 470 | 12-22 | 555 | 490 | 16-33 | 188 |
400 | 16 | 216 | 310 | 305 | 1190 | 535 | 580 | 1190 | 450 | 220 | 1210 | 300 | 315 | 580 | 525 | 16-22 | 620 | 550 | 16-36 | 270 |
450 | 18 | 222 | 330 | 350 | 1255 | 535 | 580 | 1250 | 650 | 280 | 1335 | 575 | 714 | 640 | 585 | 16-22 | 670 | 600 | 20-36 | 350 |
500 | 20 | 229 | 350 | 380 | 1305 | 535 | 580 | 1290 | 650 | 280 | 1415 | 575 | 714 | 715 | 650 | 20-22 | 730 | 660 | 20-36 | 375 |
600 | 24 | 267 | 390 | 445 | 1340 | 570 | 660 | 1455 | 850 | 380 | 1605 | 656 | 810 | 840 | 770 | 20-26 | 845 | 770 | 20-39 | 560 |
700 | 28 | 292 | 430 | 480 | 1520 | 750 | 550 | 1585 | 850 | 380 | 1844 | 656 | 810 | 910 | 840 | 24-26 | 960 | 875 | 24-42 | 610 |
800 | 32 | 318 | 470 | 530 | 1710 | 750 | 550 | 1700 | 1250 | 380 | 2040 | 656 | 810 | 1025 | 950 | 24-30 | 1085 | 990 | 24-48 | 880 |
900 | 36 | 330 | 510 | 580 | 1810 | 750 | 550 | 1965 | 1250 | 380 | 2255 | 785 | 863 | 1125 | 1050 | 24-30 | 1185 | 1090 | 28-48 | 1100 |
1000 | 40 | 410 | 550 | 650 | 1960 | 900 | 750 | 2015 | 1250 | 380 | 2380 | 785 | 863 | 1255 | 1170 | 28-30 | 1320 | 1210 | 28-56 | 1600 |
1200 | 48 | 470 | 630 | 760 | 2250 | 1000 | 925 | 2250 | 1250 | 380 | 2640 | 785 | 863 | 1485 | 1390 | 32-33 | 1530 | 1420 | 32-56 | 2150 |
1400 | 56 | 530 | 710 | 850 | 2435 | 1000 | 925 | 2886 | 1685 | 1590 | 36-36 | 1755 | 1640 | 36-62 | 3200 | |||||
1600 | 64 | 600 | 790 | 1030 | 2780 | 1000 | 925 | 3156 | 1930 | 1820 | 40-36 | 1975 | 1830 | 40-62 | 5000 | |||||
1800 | 72 | 670 | 870 | 1230 | 3020 | 1100 | 980 | 3421 | 2130 | 2020 | 44-39 | 2195 | 2070 | 44-70 | 6800 | |||||
2000 | 80 | 760 | 950 | 1350 | 3270 | 1100 | 980 | 3685 | 2345 | 2230 | 48-42 | 2425 | 2300 | 48-70 | 9100 | |||||
※注:dd-代表多层次密封结构
六、对夹 保温蝶阀
dn(mm) | 结构长度 | 外形尺寸(参考值) | 连接尺寸(标准值) | |||||||||||||
l | h | dbd373h | dbd673h | bdd973h | pn4.0mpa | |||||||||||
mm | inch | 短brief | 长long | h1 | a1 | b1 | h2 | a2 | b2 | h3 | a3 | b3 | d | d1 | z-d | |
50 | 2 | 108 | 150 | 112 | 350 | 180 | 200 | 625 | 250 | 170 | 530 | 250 | 255 | 165 | 125 | 4-14 |
65 | 21/2 | 112 | 170 | 115 | 370 | 180 | 200 | 625 | 250 | 170 | 530 | 250 | 255 | 185 | 145 | 8-18 |
80 | 3 | 114 | 180 | 120 | 380 | 180 | 200 | 645 | 250 | 170 | 565 | 250 | 255 | 200 | 160 | 8-18 |
100 | 4 | 127 | 190 | 138 | 420 | 180 | 200 | 675 | 250 | 170 | 600 | 250 | 255 | 235 | 190 | 8-22 |
125 | 5 | 140 | 200 | 164 | 460 | 180 | 200 | 715 | 450 | 220 | 640 | 250 | 255 | 270 | 220 | 8-26 |
150 | 6 | 140 | 210 | 175 | 555 | 270 | 280 | 800 | 450 | 220 | 705 | 300 | 315 | 300 | 250 | 8-26 |
200 | 8 | 152 | 230 | 200 | 760 | 400 | 425 | 850 | 450 | 220 | 775 | 300 | 315 | 375 | 320 | 12-30 |
250 | 10 | 165 | 250 | 243 | 930 | 400 | 425 | 925 | 450 | 280 | 945 | 300 | 315 | 450 | 385 | 12-33 |
300 | 12 | 178 | 270 | 250 | 895 | 450 | 560 | 1035 | 650 | 280 | 1070 | 300 | 315 | 515 | 450 | 16-33 |
350 | 14 | 190 | 290 | 280 | 950 | 450 | 560 | 1070 | 650 | 280 | 1140 | 300 | 315 | 580 | 510 | 16-36 |
400 | 16 | 216 | 310 | 305 | 1190 | 535 | 580 | 1190 | 650 | 280 | 1210 | 300 | 315 | 660 | 585 | 16-39 |
450 | 18 | 222 | 330 | 350 | 1255 | 535 | 580 | 1335 | 575 | 714 | 685 | 610 | 20-39 | |||
500 | 20 | 229 | 350 | 380 | 1305 | 535 | 580 | 1415 | 575 | 714 | 755 | 670 | 20-42 | |||
※注:法兰标准:gb/t9113.1-2000 gb/t9113.2-2000 gb/t911.5.1-2000 gb/t9115.2-2000
※用户注意:表中h1、h2、h3尺寸均可根据用户需求加长(长杆蝶阀),本产品一般按短系列,若需长系列或特殊材料定货时提出。

135 2453 5400
全国服务热线
扫一扫咨询微信客服服务热线
