D373W/H 对夹式金属硬密封蝶阀
· 1 产品型号: D373W/H
· 2 公称通径: DN50~DN1200
· 3 公称压力: PN0.6~10.0MPa
· 4 适用温度: ≤400℃
· 5 适用介质: 水、油、气、醋酸类、硝酸类等其他介质
· 6 阀体材质: WCB CF8 CF8 铬钼钢 低温钢 镍合金
· 7 驱动方式: 蜗轮传动、电动、气动、液动
· 8 设计规范: GB/T 12238 API609
· 9 结构长度: GB/T 12221 API609 ASME B16.10
· 10 法兰连接: GB/T 9113 API609 ASME B16.5 ISO5752
· 11 试验与检验: GB/T 13927 API598
一、D373W/H 对夹式金属硬密封蝶阀产品用途
D373W/H 对夹式金属硬密封蝶阀 采用精密的j形弹性密封圈和三偏心多层次金属硬密封结构,被广泛用于介质温度≤400℃的治金、电力、石油化工、以及给排水和市政建设等工业管道上,作调节流量和载断流体使用。
二、D373W/H 对夹式金属硬密封蝶阀产品特点
1、对夹金属多层次密封蝶阀对夹连接结构简单,方便安装与拆卸,重量轻的特点。金属硬密封蝶阀采用三偏心密封结构,阀座与蝶板几乎无磨损,具有越观越紧的密封功能。
2、密封圈选用不锈钢制作,具有金属硬密封和弹性密封的双重优点,无论在低温和高温的情况下,均具有优良的密封性能,具有耐腐蚀,使用寿命长等特点。
3、蝶板密封面采用堆焊钴基硬质合金,密封面耐磨损,使用寿命长。
4、大规格蝶板采用绗架结构,强度高,过流面积大,流阻小。
5、金属硬密封蝶阀具有双向密封功能,安装时不受介质流向的限制,也不受空间位置的影响,可在任何方向安装。
6、驱动装置可以多工位(旋转90°或180°)安装,便于用户使用。
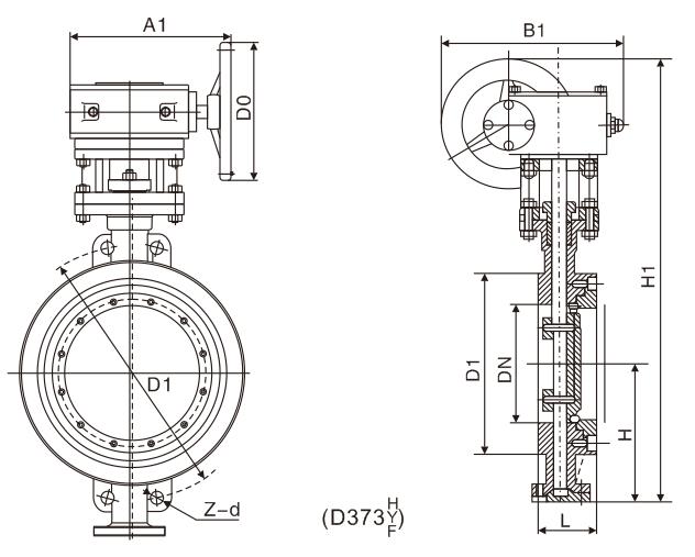
三、D373W/H 对夹式金属硬密封蝶阀外形尺寸

pn(6、10)mpa
公称 通径 dn | 外形尺寸 | 连接尺寸 |
l | h | d73h/d373h/d673h/d973h | pn0.6mpa | pn1.0mpa |
h1 | a1 | b1 | d1 | z-d | d1 | z-d |
50 | 43 | 112 | 350 | 180 | 200 | 110 | 4-14 | 125 | 4-18 |
65 | 46 | 115 | 370 | 180 | 200 | 130 | 4-14 | 145 | 4-18 |
80 | 64 | 120 | 380 | 180 | 200 | 150 | 4-18 | 160 | 8-18 |
100 | 64 | 138 | 420 | 180 | 200 | 170 | 8-18 | 180 | 8-18 |
125 | 70 | 164 | 460 | 180 | 200 | 200 | 8-18 | 210 | 8-18 |
150 | 76 | 175 | 555 | 270 | 280 | 225 | 8-18 | 240 | 8-22 |
200 | 89 | 208 | 605 | 270 | 280 | 280 | 12-18 | 295 | 8-22 |
250 | 114 | 243 | 680 | 270 | 280 | 335 | 12-22 | 350 | 12-22 |
300 | 114 | 283 | 800 | 380 | 420 | 395 | 12-22 | 400 | 12-22 |
350 | 127 | 310 | 835 | 380 | 420 | 445 | 16-22 | 460 | 16-22 |
400 | 140 | 340 | 915 | 450 | 470 | 495 | 16-22 | 515 | 16-26 |
450 | 152 | 380 | 960 | 480 | 490 | 550 | 16-22 | 565 | 20-26 |
500 | 152 | 410 | 1020 | 480 | 490 | 600 | 20-22 | 620 | 20-26 |
600 | 178 | 470 | 1225 | 480 | 490 | 705 | 20-26 | 725 | 20-30 |
700 | 229 | 550 | 1355 | 640 | 660 | 810 | 24-26 | 840 | 24-30 |
800 | 241 | 640 | 1470 | 640 | 660 | 902 | 24-30 | 950 | 24-33 |
900 | 241 | 710 | 1545 | 750 | 860 | 1020 | 24-30 | 1050 | 28-33 |
1000 | 300 | 770 | 1795 | 850 | 900 | 1120 | 28-30 | 1160 | 28-36 |
1200 | 360 | 890 | 1965 | 850 | 900 | 1340 | 32-33 | 1380 | 32-39 |
pn(16、25)mpa
公称 通径 dn | 外形尺寸 | 连接尺寸 |
l | h | d73h/d373h/d673h/d973h | pn1.6mpa | pn2.5mpa |
h1 | a1 | b1 | d1 | z-d | d1 | z-d |
50 | 43 | 112 | 350 | 180 | 200 | 125 | 4-18 | 125 | 4-18 |
65 | 46 | 115 | 370 | 180 | 200 | 145 | 4-18 | 145 | 8-18 |
80 | 49 | 120 | 380 | 180 | 200 | 160 | 8-18 | 160 | 8-18 |
100 | 56 | 138 | 420 | 180 | 200 | 180 | 8-18 | 190 | 8-22 |
125 | 64 | 164 | 460 | 180 | 200 | 210 | 8-18 | 220 | 8-26 |
150 | 70 | 175 | 555 | 270 | 280 | 240 | 8-22 | 250 | 8-26 |
200 | 71 | 208 | 605 | 270 | 280 | 295 | 12-22 | 310 | 12-26 |
250 | 76 | 243 | 680 | 270 | 280 | 335 | 12-26 | 370 | 12-30 |
300 | 83 | 283 | 825 | 380 | 420 | 410 | 12-26 | 430 | 16-30 |
350 | 92 | 310 | 900 | 380 | 420 | 470 | 16-26 | 490 | 16-33 |
400 | 102 | 340 | 980 | 450 | 470 | 525 | 16-30 | 550 | 16-36 |
450 | 114 | 380 | 1030 | 480 | 490 | 585 | 20-30 | 600 | 20-36 |
500 | 127 | 410 | 1105 | 480 | 490 | 650 | 20-33 | 660 | 20-36 |
600 | 154 | 470 | 1310 | 480 | 490 | 770 | 20-36 | 770 | 20-39 |
700 | 165 | 550 | 1435 | 640 | 660 | 840 | 24-36 | 875 | 24-42 |
800 | 190 | 640 | 1605 | 640 | 660 | 950 | 24-39 | 990 | 24-48 |
900 | 203 | 710 | 1745 | 750 | 860 | 1050 | 28-39 | 1090 | 28-48 |
1000 | 216 | 770 | 1885 | 850 | 900 | 1170 | 28-42 | 1210 | 28-56 |
1200 | 254 | 890 | 2105 | 850 | 900 | 1390 | 32-48 | 1420 | 32-56 |