塑料执行器-气动角座阀
特 点
外部先进导角座阀,溢流口与滑块间有自动调节密封压盖,阀体角座结构可实现较大流量,特别是与普通截止阀相比时。
技术参数
• 压力范围:0-16bar
• 介质温度:-10℃~+180℃
• 环境温度:-10℃~+60℃
• 阀体材料:不锈钢
• 密封材料:聚四氯乙烯
• 执行机构外壳:聚酰胺
• 介质:中性气体、空气、水
选 取
• 控制功能:常开
• 执行机构外壳适用于环境温度:+5℃~+130℃
• 无复位弹簧双作用执行机构
• 电子式位置反馈
• 独立可调行程极限,适于高低流量
• 手动应急开关
• 先导阀适用的Namur适配器
数 据

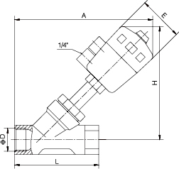
型号 size | 规格 Size | 执行器 Actuator | L | A | H | E |
15 | 1/2" | Φ50 | 85 | 180 | 140 | 65 |
20 | 3/4" | Φ50 | 95 | 185 | 145 | 65 |
25 | 1" | Φ50 | 106 | 190 | 155 | 65 |
1" | Φ63 | 105 | 220 | 185 | 80 |
32 | 1 1/4" | Φ63 | 120 | 230 | 188 | 80 |
40 | 1 1/2" | Φ63 | 130 | 235 | 195 | 80 |
1 1/2" | Φ80 | 130 | 228 | 215 | 100 |
50 | 2" | Φ63 | 150 | 250 | 205 | 80 |
2" | Φ80 | 150 | 268 | 225 | 100 |
65 | 2 1/2" | Φ80 | 185 | 285 | 260 | 100 |
2 1/2" | Φ100 | 185 | 325 | 320 | 126 |
80 | 3" | Φ100 | 210 | 335 | 330 | 126 |
焊 接

型号 size | 执行器 Actuator | L | D | d | A | H | E |
15 | Φ50 | 120 | 20.0 | 19.0 | 165 | 145 | 64 |
20 | Φ50 | 125 | 25.5 | 24.0 | 167 | 150 | 64 |
25 | Φ63 | 145 | 31.0 | 30.0 | 210 | 183 | 80 |
32 | Φ63 | 156 | 38.0 | 37.0 | 215 | 185 | 80 |
40 | Φ63 | 185 | 47.0 | 45.5 | 232 | 195 | 80 |
50 | Φ80 | 200 | 58.0 | 56.5 | 262 | 230 | 100 |
65 | Φ100 | 228 | 77.5 | 75.0 | 319 | 290 | 126 |
80 | Φ100 | 245 | 92.0 | 90.0 | 360 | 315 | 126 |
快 装

型号 size | 执行器 Actuator | L | D | d | A | H | E |
15 | Φ50 | 120 | 50.5 | 165 | 165 | 145 | 64 |
20 | Φ50 | 125 | 50.5 | 175 | 175 | 150 | 64 |
25 | Φ63 | 145 | 50.5 | 215 | 215 | 183 | 80 |
32 | Φ63 | 156 | 50.5 | 225 | 225 | 185 | 80 |
40 | Φ63 | 185 | 64.0 | 235 | 235 | 195 | 80 |
50 | Φ80 | 200 | 77.5 | 270 | 270 | 205 | 100 |
65 | Φ100 | 228 | 77.5 | 315 | 315 | 290 | 126 |
80 | Φ100 | 245 | 91.0 | 362 | 362 | 315 | 126 |
法 兰

型号 size | 执行器 Actuator | L | T | f | D | C | B | N-Φd | A | H | E |
15 | Φ50 | 120 | 14 | 2 | 95 | 66 | 40 | 4-Φ14 | 165 | 145 | 64 |
20 | Φ50 | 125 | 14 | 2 | 105 | 75 | 50 | 4-Φ14 | 170 | 150 | 64 |
25 | Φ63 | 145 | 14 | 2 | 115 | 85 | 60 | 4-Φ14 | 210 | 183 | 80 |
32 | Φ63 | 156 | 16 | 2 | 135 | 100 | 70 | 4-Φ18 | 220 | 185 | 80 |
40 | Φ63 | 185 | 16 | 2 | 145 | 110 | 80 | 4-Φ18 | 230 | 195 | 80 |
50 | Φ80 | 200 | 16 | 2 | 160 | 125 | 92 | 4-Φ18 | 260 | 230 | 100 |
65 | Φ100 | 228 | 18 | 2 | 185 | 145 | 115 | 4-Φ18 | 320 | 290 | 126 |
80 | Φ100 | 245 | 18 | 2 | 195 | 160 | 130 | 8-Φ18 | 360 | 315 | 126 |