

|
|
设计、制造标准 1.设计制造按GB/T12237-89 2.法兰连接尺寸按:JB/T79-94 3.阀门检查和试验按GB/T13927-92 | Standard for design and manufacture 1.DesignManafacfure According to GB/T 12237-89 2.FlangeDimensionAccording tojB/T 79-94 3.valve Checkand Test Accordingto GB/T 13927-92 |
主要零件材料Material of Main Parts
材料代号Materia codel 零件名称 hardwarea pellation
| C | P | R |
阀体Valve body | WCB | lCr18Ni9Ti | 1Cr18Ni12M02Ti |
球体Sphere | 2Cr13 | lCr18Ni9Ti | 1Cr18Ni12M02Ti |
阀杆Valw stem | 2Cr13 | lCr18Ni9Ti | 1Cr18Ni12M02Ti |
密封seal | 聚四氟乙烯Polytetrafluoroethylene | 聚四氟乙烯Polytetrafluoroethylen | 聚四氟乙烯Polytetrafluoroethylen |
对位聚苯Para-polyphenyl | 对位聚苯Para-polyphenyl | 对位聚苯Para-polyphenyl | |
填料Packing | 聚四氟乙烯Polytetrafluoroethylene | 聚四氟乙烯Polytetrafluoroethylene | 聚四氟乙烯Polytetrafluoroethylene |
柔性石墨soft graphite | 柔性石墨soft graphite | 柔性石墨soft graphite | |
使用介质Applicable medium | 水、蒸汽、油品Water,steam.oil | 硝酸类nitric acid kind | 醋酸类acetic acid kind |
适用温度Applicable temperatura | 选用(聚四氟乙烯)密封材料为≤150℃ Applicable sealing material(e.g.polytetrafluoroethylene)equal to 150C or less | ||
选用(对位聚苯}密封材料为≤300℃ Appllcable sealing material(e.g.para-potyphanyt) equal t0 300C orless |
主要性能规范Main property and Specification
试验压力(MPa) rest pressure | 公称压力PN Noninal pressure(MPa) | ||||
1.6 | 2.5 | 4.0 | 6.4 | ||
壳体强度试验 Shell strength test | 2.4 | 3.75 | 6.0 | 9.6 | |
密封试验(液) Sealtest | 1.76 | 2.75 | 4.4 | 7.04 | |
密封试验(气) Sealtest | 0.6MPa | ||||
适用介质 Applicable medium | C 水.油品.蒸汽 Water.Oil.Steam | P 硝酸类 Nitric Acid | R 醋酸类 Acetic Acid | ||
适用温度 Applicable temperature | F密封≤150℃ PPL密封≤425℃ | ||||
设计、制造标准 1.设计制造按GB/T12237-89 2.法兰连接尺寸按:JB/T79-94 3.阀门检查和试验按GB/T13927-92 | Standard for design and manufacture 1.DesignManafacfure According to GB/T 12237-89 2.FlangeDimensionAccording tojB/T 79-94 3.valve Checkand Test Accordingto GB/T 13927-92 |
主要零件材料Material of Main Parts
材料代号Materia codel 零件名称 hardwarea pellation
| C | P | R |
阀体Valve body | WCB | lCr18Ni9Ti | 1Cr18Ni12M02Ti |
球体Sphere | 2Cr13 | lCr18Ni9Ti | 1Cr18Ni12M02Ti |
阀杆Valw stem | 2Cr13 | lCr18Ni9Ti | 1Cr18Ni12M02Ti |
密封seal | 聚四氟乙烯Polytetrafluoroethylene | 聚四氟乙烯Polytetrafluoroethylen | 聚四氟乙烯Polytetrafluoroethylen |
对位聚苯Para-polyphenyl | 对位聚苯Para-polyphenyl | 对位聚苯Para-polyphenyl | |
填料Packing | 聚四氟乙烯Polytetrafluoroethylene | 聚四氟乙烯Polytetrafluoroethylene | 聚四氟乙烯Polytetrafluoroethylene |
柔性石墨soft graphite | 柔性石墨soft graphite | 柔性石墨soft graphite | |
使用介质Applicable medium | 水、蒸汽、油品Water,steam.oil | 硝酸类nitric acid kind | 醋酸类acetic acid kind |
适用温度Applicable temperatura | 选用(聚四氟乙烯)密封材料为≤150℃ Applicable sealing material(e.g.polytetrafluoroethylene)equal to 150C or less | ||
选用(对位聚苯}密封材料为≤300℃ Appllcable sealing material(e.g.para-potyphanyt) equal t0 300C orless |
主要性能规范Main property and Specification
试验压力(MPa) rest pressure | 公称压力PN Noninal pressure(MPa) | ||||
1.6 | 2.5 | 4.0 | 6.4 | ||
壳体强度试验 Shell strength test | 2.4 | 3.75 | 6.0 | 9.6 | |
密封试验(液) Sealtest | 1.76 | 2.75 | 4.4 | 7.04 | |
密封试验(气) Sealtest | 0.6MPa | ||||
适用介质 Applicable medium | C 水.油品.蒸汽 Water.Oil.Steam | P 硝酸类 Nitric Acid | R 醋酸类 Acetic Acid | ||
适用温度 Applicable temperature | F密封≤150℃ PPL密封≤425℃ | ||||
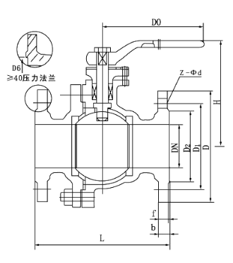
主要连接及外形尺寸Main connection and extemal dimensions(mm)
型号 Model | 公称通径 DN(mm) | 尺 寸Dimensions(mm) | D0 | ||||||||
L | D | D1 | D2 | b-f | Z-φd | 手动Manual | 气动Pneumatic | 电动Electromotor | |||
F C Q41 -16P PPL R F C Q341 -16P PPL R F C Q641 -16P PPL R F C Q941 -16P PPL R | 15 | 130 | 95 | 65 | 45 | 14-2 | 4-φ14 | 60 | 200 | 108 | |
20 | 140 | 105 | 75 | 55 | 14-2 | 4-φ14 | 64 | 204 | 120 | ||
25 | 150 | 115 | 85 | 65 | 14-2 | 4-φ14 | 90 | 515 | 360 | 165 | |
32 | 165 | 135 | 100 | 78 | 16-2 | 4-φ18 | 105 | 244 | 390 | 180 | |
40 | 180 | 145 | 110 | 85 | 16-3 | 4-φ18 | 150 | 264 | 395 | 240 | |
50 | 200 | 160 | 125 | 100 | 16-3 | 4-φ18 | 190 | 274 | 405 | 240 | |
65 | 220 | 180 | 145 | 120 | 18-3 | 4-φ18 | 195 | 379 | 490 | 320 | |
80 | 250 | 195 | 160 | 135 | 20-3 | 8-φ18 | 215 | 389 | 595 | 350 | |
100 | 280 | 215 | 180 | 155 | 20-3 | 8-φ18 | 250 | 416 | 695 | 400 | |
125 | 320 | 245 | 210 | 185 | 22-3 | 8-φ18 | 280 | 542 | 640 | 500 | |
150 | 360 | 280 | 240 | 210 | 24-3 | 8-φ23 | 320 | 572 | 740 | 600 | |
200 | 400 | 335 | 295 | 265 | 26-3 | 12-φ23 | 370 | 600 | 800 | 800 | |
250 | 550 | 405 | 355 | 320 | 30-3 | 12-φ25 | 440 | 690 | 880 | 880 | |
F C Q41 -25P PPL R F C Q341 -25P PPL R F C Q641 -25P PPL R F C Q941 -25P PPL R | 15 | 130 | 95 | 65 | 45 | 16-2 | 4-φ14 | 60 | 200 | 108 | |
20 | 140 | 105 | 75 | 55 | 16-2 | 4-φ14 | 64 | 204 | 120 | ||
25 | 150 | 115 | 85 | 65 | 16-2 | 4-φ14 | 90 | 515 | 360 | 165 | |
32 | 165 | 135 | 100 | 78 | 18-2 | 4-φ18 | 105 | 244 | 390 | 180 | |
40 | 180 | 145 | 110 | 85 | 18-3 | 4-φ18 | 160 | 264 | 395 | 240 | |
50 | 200 | 160 | 125 | 100 | 20-3 | 4-φ18 | 205 | 274 | 405 | 270 | |
65 | 220 | 180 | 145 | 120 | 22-3 | 8-φ18 | 215 | 379 | 490 | 350 | |
80 | 250 | 195 | 160 | 135 | 22-3 | 8-φ18 | 230 | 389 | 595 | 400 | |
100 | 280 | 230 | 190 | 160 | 24-3 | 8-φ23 | 270 | 416 | 695 | 500 | |
125 | 320 | 270 | 220 | 188 | 28-3 | 8-φ25 | 300 | 542 | 640 | 600 | |
150 | 360 | 300 | 250 | 218 | 30-3 | 8-φ25 | 340 | 572 | 740 | 900 | |
200 | 400 | 360 | 310 | 278 | 34-3 | 12-φ25 | 400 | 600 | 800 | 1100 | |
250 | 550 | 435 | 370 | 332 | 36-3 | 12-φ30 | 470 | 690 | 880 |
型号 Model | 公称通径 DN(mm) | 尺 寸Dimensions(mm) | D0 | ||||||||
L | D | D1 | D2 | b-f | Z-φd | 手动Manual | 气动Pneumatic | 电动Electromotor | |||
F C Q41 -40P PPL R F C Q341 -40P PPL R F C Q641 -40P PPL R F C Q941 -40P PPL R | 15 | 130 | 95 | 65 | 45 | 40 | 4-φ14 | 60 | 200 | 108 | |
20 | 140 | 105 | 75 | 55 | 51 | 4-φ14 | 65 | 204 | 120 | ||
25 | 150 | 115 | 85 | 65 | 58 | 4-φ14 | 90 | 515 | 360 | 165 | |
32 | 180 | 135 | 100 | 78 | 66 | 4-φ18 | 105 | 244 | 390 | 180 | |
40 | 200 | 145 | 110 | 85 | 76 | 4-φ18 | 170 | 264 | 395 | 240 | |
50 | 220 | 160 | 125 | 100 | 88 | 4-φ18 | 230 | 275 | 405 | 270 | |
65 | 250 | 180 | 145 | 120 | 110 | 8-φ18 | 250 | 379 | 490 | 350 | |
80 | 280 | 190 | 160 | 135 | 121 | 8-φ18 | 250 | 389 | 595 | 400 | |
100 | 320 | 230 | 190 | 160 | 150 | 8-φ23 | 295 | 416 | 695 | 500 | |
125 | 400 | 270 | 220 | 188 | 176 | 8-φ25 | 330 | 542 | 640 | 600 | |
150 | 400 | 300 | 250 | 218 | 204 | 8-φ25 | 375 | 572 | 740 | 900 | |
200 | 550 | 375 | 320 | 282 | 260 | 12-φ30 | 440 | 600 | 800 | 1100 | |
F C Q41 -64P PPL R F C Q341 -64P PPL R F C Q641 -64P PPL R F C Q941 -64P PPL R | 15 | 165 | 105 | 75 | 55 | 40 | 4-φ14 | 59 | 200 | 130 | |
20 | 190 | 125 | 90 | 68 | 51 | 4-φ18 | 63 | 204 | 130 | ||
25 | 216 | 135 | 100 | 78 | 58 | 4-φ18 | 75 | 515 | 360 | 160 | |
32 | 229 | 150 | 110 | 82 | 66 | 4-φ23 | 85 | 244 | 390 | 160 | |
40 | 241 | 165 | 125 | 95 | 76 | 4-φ23 | 95 | 264 | 395 | 230 | |
50 | 292 | 175 | 135 | 105 | 88 | 4-φ25 | 107 | 274 | 405 | 230 | |
65 | 330 | 200 | 160 | 130 | 110 | 8-φ25 | 142 | 379 | 490 | 400 | |
80 | 356 | 210 | 170 | 140 | 121 | 8-φ25 | 152 | 389 | 595 | 400 | |
100 | 432 | 250 | 200 | 168 | 150 | 8-φ30 | 178 | 416 | 695 | 700 | |
125 | 508 | 295 | 240 | 202 | 176 | 8-φ34 | 282 | 542 | 640 | 1100 | |
150 | 559 | 340 | 280 | 240 | 204 | 12-φ34 | 272 | 572 | 740 | 1500 | |
200 | 660 | 405 | 345 | 300 | 260 | 12-φ41 | 398 | 600 | 800 |
主要连接及外形尺寸Main connection and extemal dimensions(mm)
型号 Model | 公称通径 DN(mm) | 尺 寸Dimensions(mm) | D0 | ||||||||
L | D | D1 | D2 | b-f | Z-φd | 手动Manual | 气动Pneumatic | 电动Electromotor | |||
F C Q41 -40P PPL R F C Q341 -40P PPL R F C Q641 -40P PPL R F C Q941 -40P PPL R | 15 | 130 | 95 | 65 | 45 | 40 | 4-φ14 | 60 | 200 | 108 | |
20 | 140 | 105 | 75 | 55 | 51 | 4-φ14 | 65 | 204 | 120 | ||
25 | 150 | 115 | 85 | 65 | 58 | 4-φ14 | 90 | 515 | 360 | 165 | |
32 | 180 | 135 | 100 | 78 | 66 | 4-φ18 | 105 | 244 | 390 | 180 | |
40 | 200 | 145 | 110 | 85 | 76 | 4-φ18 | 170 | 264 | 395 | 240 | |
50 | 220 | 160 | 125 | 100 | 88 | 4-φ18 | 230 | 275 | 405 | 270 | |
65 | 250 | 180 | 145 | 120 | 110 | 8-φ18 | 250 | 379 | 490 | 350 | |
80 | 280 | 190 | 160 | 135 | 121 | 8-φ18 | 250 | 389 | 595 | 400 | |
100 | 320 | 230 | 190 | 160 | 150 | 8-φ23 | 295 | 416 | 695 | 500 | |
125 | 400 | 270 | 220 | 188 | 176 | 8-φ25 | 330 | 542 | 640 | 600 | |
150 | 400 | 300 | 250 | 218 | 204 | 8-φ25 | 375 | 572 | 740 | 900 | |
200 | 550 | 375 | 320 | 282 | 260 | 12-φ30 | 440 | 600 | 800 | 1100 | |
F C Q41 -64P PPL R F C Q341 -64P PPL R F C Q641 -64P PPL R F C Q941 -64P PPL R | 15 | 165 | 105 | 75 | 55 | 40 | 4-φ14 | 59 | 200 | 130 | |
20 | 190 | 125 | 90 | 68 | 51 | 4-φ18 | 63 | 204 | 130 | ||
25 | 216 | 135 | 100 | 78 | 58 | 4-φ18 | 75 | 515 | 360 | 160 | |
32 | 229 | 150 | 110 | 82 | 66 | 4-φ23 | 85 | 244 | 390 | 160 | |
40 | 241 | 165 | 125 | 95 | 76 | 4-φ23 | 95 | 264 | 395 | 230 | |
50 | 292 | 175 | 135 | 105 | 88 | 4-φ25 | 107 | 274 | 405 | 230 | |
65 | 330 | 200 | 160 | 130 | 110 | 8-φ25 | 142 | 379 | 490 | 400 | |
80 | 356 | 210 | 170 | 140 | 121 | 8-φ25 | 152 | 389 | 595 | 400 | |
100 | 432 | 250 | 200 | 168 | 150 | 8-φ30 | 178 | 416 | 695 | 700 | |
125 | 508 | 295 | 240 | 202 | 176 | 8-φ34 | 282 | 542 | 640 | 1100 | |
150 | 559 | 340 | 280 | 240 | 204 | 12-φ34 | 272 | 572 | 740 | 1500 | |
200 | 660 | 405 | 345 | 300 | 260 | 12-φ41 | 398 | 600 | 800 |

135 2453 5400
全国服务热线
扫一扫咨询微信客服服务热线
