上海网野阀门制造有限公司
产品中心PRODUCT SHOW

致力于产品的良好用户体验、有效的网络营销效果而努力

VQ71F-16P 手动对夹固定球直通流道硬密封不锈钢(304、316)V型球阀

  • VQ71F对夹式V型球阀适用于多种介质,‌包括水、‌蒸汽、‌油品、‌硝酸、‌醋酸、‌氧化性介质、‌尿素等。‌这些介质的选择基于阀门的材质和设计,‌确保阀门能够在特定的化学环境下稳定工作。‌
立即咨询
全国热线135 2453 5400

详情介绍

VQ71F-16P 手动对夹固定球直通流道硬密封不锈钢(304316V型球阀

法兰V型球阀材质及特点V Ball ball Valve material and structure traits

设计、制造标准

1、设计、制造按GB/T12237-89 

2、连接法兰:JB/T79-94 

3、阀门检查和试验按GB/T13927-89   

Standard for design and manufacture

1Design Manafacfure According to GB/T 12237-89

2Flange Dimension According to JB/T 79-94

3Valve Check and Test According to GB/T 13927-89

 

产品特点

1V型切口的球芯与金属阀座之间具有剪切作用,特别适用于含纤维、微小固体颗粒、料浆等介质;

2、蜗轮传动V型切断球阀还具有调节并可靠定位的能力,流量特性为近似百分比,可调范围广;

3、采用板簧加载的可动阀座结构,阀座与球芯不会产生卡阴或脱离等问题,密封可靠,使用寿命长。

 

Product features

1.Shearing action between V notching ball core and metal valve base especially applies to media containing fiber, tiny solid particles or fe-ed pulp.

2.Worm-driven V shearing ball valve features adjustability, reliable locating capability, approximate percentage of flux character-istics and wide adjusting range.

3.Applying removable valve base withloaded plate spring, nojamming or separation will occur between valve base and ball core. It is of reliable sealing and long working life.

 

 

 

                                 

 

 

image.png 

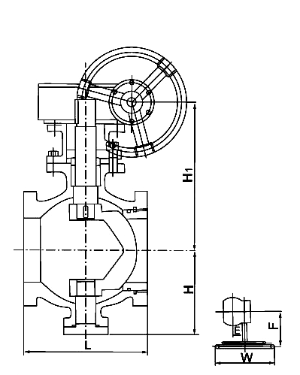
对夹V型球阀PN1.6MPa主要连接及外形尺寸Main conn ection and externaldimensions(mm)

DN

L

H

手动Manual operaten

电动Electromotor

Operated

气动Pneumatic

Operated

H1

E

F

W

Wt(kg)

H2

L1

H3

L2

50

124

102

107



230

12



274

270

65

145

114

125



400

16



379

405

80

165

127

152



400

22



389

405

100

194

152

178



650

35



479

576

125

210

184

300



1050

58



552

576

150

229

219

330



1050

74

554

235

666

776

200

243

273

398

116

350

600

205

600

235

736

776

250

297

360

495

116

350

600

322

652

235

926

776

300

338

395

580

171

400

800

460

760

259

1059

1060

400

520

470

670

257

400

800

864

830

400

1393

1360

500

600

580

840

257

400

800

1600

940

410

1538

1360

 

对夹V型球阀PN2.5MPa主要连接及外形尺寸Main conn ection and externaldimensions(mm)

DN

L

H

手动Manual operaten

电动Electromotor

Operated

气动Pneumatic

Operated

H1

E

F

W

Wt(kg)

H2

L1

H3

L2

50

124

102

107



230

15



340

405

65

145

114

125



400

24



379

405

80

165

127

152



400

30



452

574

100

194

152

178



650

55



479

574

125

210

184

300



1050

87



646

576

150

229

219

330



1050

118

235

74

666

576

200

243

273

398

116

350

600

255

235

350

814

1060

250

297

360

495

116

350

600

370

400

350

1002

1060

300

338

395

580

171

400

800

533

400

420

1059

1060

400

520

470

670

257

400

800

1030

410

400

1205

1360

500

600

580

840

257

400

800

2100

420

400

1295

2840

 

 

法兰V型球阀PN1.6MPa主要连接及外形尺寸Main conn ection and externaldimensions(mm)

 

DN

L

H

手动Manual operaten

电动Electromotor

Operated

气动Pneumatic

Operated

法兰连接尺寸

Flange connection dimension

H1

E

F

W

Wt(kg)

H2

L1

H3

L2

D

D1

D2

b

f

Z--φd

50

124

102

107



230

12



274

270

160

125

100

16

3

4-φ18

65

145

114

125



400

16



379

405

180

145

120

18

3

4-φ18

80

165

127

152



400

22



389

405

195

160

135

20

3

8-φ18

100

194

152

178



650

35



479

576

215

180

155

20

3

8-φ18

150

210

184

300



1050

58



552

576

245

210

185

22

3

8-φ18

200

229

219

330



1050

74

554

235

666

776

280

240

210

24

3

8-φ23

250

243

273

398

116

350

600

205

600

235

736

776

335

295

265

26

3

12-φ23

300

297

360

495

116

350

600

322

652

235

926

776

405

355

320

26

3

12-φ25

350

338

395

580

171

400

800

460

760

259

1059

1060

460

410

375

30

4

12-φ25

400

520

470

670

257

400

800

864

830

400

1393

1360

580

525

485

36

4

16-φ0

500

600

580

840

257

400

800

1600

940

410

1538

1360

705

650

608

44

4

20-φ34

 

法兰V型球阀PN2.5MPa主要连接及外形尺寸Main connection and external dimensions(mm)

DN

L

H

手动Manual operaten

电动Electromotor

Operated

气动Pneumatic

Operated

法兰连接尺寸

Flange connection dimension

H1

E

F

W

Wt(kg)

H2

L1

H3

L2

D

D1

D2

b

f

Z--φd

50

124

102

107



230

15



340

405

160

125

100

20

3

4-φ18

65

145

114

125



400

24



379

405

180

145

120

22

3

8-φ18

80

165

127

152



400

30



452

574

195

160

135

22

3

8-φ18

100

194

152

178



650

55



479

574

230

190

160

24

3

8-φ22

150

210

184

300



1050

87



646

576

270

220

188

28

3

8-φ26

200

229

219

330



1050

118

235

74

666

576

300

250

218

30

3

8-φ26

250

243

273

398

116

350

600

255

235

350

814

1060

360

310

278

34

3

12-φ26

300

297

360

495

116

350

600

370

400

350

1002

1060

425

370

332

36

3

12-φ30

350

338

395

580

171

400

800

533

400

420

1059

1060

485

430

390

40

4

16-φ30

400

520

470

670

257

400

800

1030

410

400

1205

1360

610

550

505

48

4

16-φ36

500

600

580

840

257

400

800

2100

420

400

1295

2840

730

660

610

50

4

20-φ36

 


标签:

135 2453 5400

全国服务热线

Copyright © 2024 上海网野阀门制造有限公司 All Rights Reserved. 沪ICP备17008218号
上海网野阀门制造有限公司扫一扫咨询微信客服
在线客服
服务热线

服务热线

135 2453 5400

微信咨询
上海网野阀门制造有限公司
返回顶部