Q44F4/5F三通法兰球阀
产品概述
• 三通法兰球阀主要用于截断或接通介质的前提下实现流道切换功能
产品特点
• 流体阻力小,球阀是所有阀类中流体阻力最小的一种,即使是缩径球阀,其流体阻力也相当小
• 开关迅速、方便,只要阀杆转动90°,球阀就完成了全开或全关动作,很容易实现快速启闭
• 密封性能好。球阀阀座密封圈一般采用聚四氟乙烯等弹性材料制造,易于保证密封
• 阀杆密封可靠。球阀启闭时阀杆只作旋转运动,因此阀杆的填料密封不易被破坏
• 球阀的启闭只做90°转动,故容易实现自动化控制和远距离控制,可配气动执行器,电动执行器
标准规范
• 设计、制造标准:GB/T 12237-2007
• 法兰标准:国标GB/T、机械部JB/T、化工部HG/T、美标API、ANSI、德标DIN、日标JIS、JPI、英标BS
• 结构长度标准:GB/T 12221-2005
• 试验与检验标准:GB/T 13927-2008
• 驱动方式:气动驱动
• 公称通径:DN15~DN300
• 公称压力:1.6MPa,2.5MPa,4.0MPa
• 适用温度:国产PTFE -10~100℃、进口PTFE -10~150℃、密封材质可选硬质合金密封(可配球体渗氮工艺,温度可耐350℃,配球体 镀硬铬Ni60工艺,温度可耐500℃)
• 适用介质:气体、水、油
• 可配驱动:手动、电动、气动、液动
• 生产标准:GB/T 12237-2007
• 阀体材质:铸钢、CF8(304)、CF3(304L)、CF8M(316)、CF3M(316L)
主要零件材料
| 阀体 | WCB | ZG1Cr18Ni9Ti | CF8 | CF3 | ZG1Cr18Ni12Mo2Ti | CF8M | CF3M |
| 球体 阀杆 | 1Cr13 | 1Cr18Ni9Ti | 304 | 304L | 1Cr18Ni12Mo2Ti | 316 | 316L |
| 阀座 | 聚四氟乙烯PTFE加坡纤增强聚四氟乙烯PTFE+Glass 对位聚笨PPL |
| 垫片 | 聚四氟乙烯PTFE不锈钢/柔性石墨 |
| 阀杆座 | 聚四氟乙烯PTFE不锈钢/柔性石墨 |
| 填料 | 聚四氟乙烯PTFE增强柔性石墨 |
| 填料压盖 | WCB | 1Cr18Ni9Ti | 304 | 304L | 1Cr18Ni12Mo2Ti | 316 | 316L |
| 温度 | 国产PTFE -10~100℃ 进口PTFE -10~100℃ |
| 介质 | 水、蒸汽、油品 | 硝酸类 | 强氧化介质 | 醋酸类 | 尿素类 |
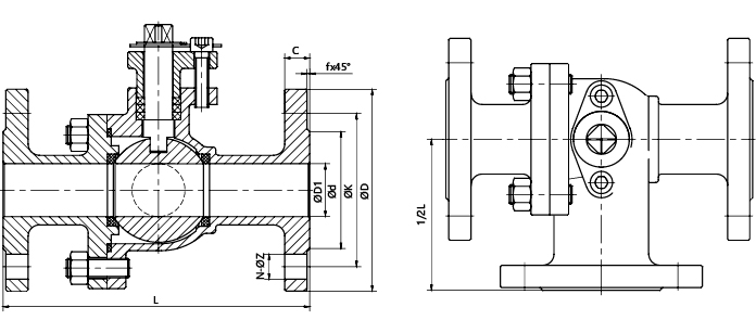
数 据

| DN | D1 | d | K | D | f | C | N-ΦZ | L |
| 15 | 15 | 45 | 65 | 95 | 2 | 14 | 4-Φ14 | 150 |
| 20 | 20 | 55 | 75 | 105 | 2 | 14 | 4-Φ14 | 160 |
| 25 | 25 | 65 | 85 | 115 | 2 | 14 | 4-Φ14 | 180 |
| 32 | 32 | 78 | 100 | 135 | 2 | 16 | 4-Φ18 | 200 |
| 40 | 40 | 85 | 110 | 145 | 2 | 16 | 4-Φ18 | 220 |
| 50 | 50 | 100 | 125 | 160 | 2 | 16 | 4-Φ18 | 240 |
| 65 | 65 | 120 | 145 | 180 | 2 | 18 | 4-Φ18 | 260 |
| 80 | 80 | 135 | 160 | 195 | 2 | 20 | 8-Φ18 | 280 |
| 100 | 100 | 155 | 180 | 215 | 2 | 20 | 8-Φ18 | 320 |
| 125 | 125 | 185 | 210 | 245 | 2 | 22 | 8-Φ18 | 380 |
| 150 | 150 | 210 | 240 | 280 | 2 | 24 | 8-Φ22 | 440 |
| 200 | 200 | 265 | 295 | 335 | 2 | 26 | 12-Φ22 | 550 |
| 250 | 250 | 320 | 355 | 405 | 2 | 26 | 12-Φ26 | 670 |
| 300 | 300 | 375 | 410 | 460 | 2 | 28 | 12-Φ26 | 720 |