Q941F-16P/R 不锈钢三片式法兰电动球阀
产品概述
• Q941F-16P电动浮动球阀主要用于截断或接通介质,也可用于流体的调节与控制
产品特点
• 阀体采用铸造、锻压等生产工艺,连接方式有法兰、焊接、快装、螺纹等连接方式
• 球芯只需绕阀门轴转90°即可完成全开或全关,动作简单迅速
• 密封圈采用独特的弹性唇缘密封技术,保证了零泄漏的切断要求,特有的自动补偿功能使阀门具有更长的使用寿命
• 密封圈材料有聚四氟乙烯、增强型PTFE及硬密封等各种结构,适用于各种工况
• 球芯表面硬化处理后,经磨削、抛光,平滑耐磨
• 球芯等径直通式流道与管道内径基本相同,流阻小
• 内装式阀杆具有更好的安全性和刚性
• 由于球芯与密封圈在开关过程中有剪切作用,故特别适用于如纸浆、污水与其他带颗粒的浆料类流体
• 可按用户要求加装防静电装置
标准规范
• 设计、制造标准:GB/T 12237-2007
• 法兰标准:国标GB/T、机械部JB/T、化工部HG/T、美标API、ANSI、德标DIN、日标JIS、JPI、英标BS
• 结构长度标准:GB/T 12221-2005
• 试验与检验标准:GB/T 13927-2008
• 驱动方式:电动执行器
• 公称通径:DN15~DN300
• 公称压力:1.6MPa,2.5MPa,4.0MPa,6.4Mpa
• 适用温度:国产PTFE -10~100℃、进口PTFE -10~150℃、密封材质可选硬质合金密封(可配球体渗氮工艺,温度可耐350℃,配球体镀硬铬Ni60工艺,温度可耐500℃)
• 适用介质:气体、水、油
• 可选功能:AC220V,380V DC24,开关型,开关调节型
• 生产标准:GB/T 12237-2007
• 阀体材质:铸钢、CF8(304)、CF3(304L)、CF8M(316)、CF3M(316L)
主要零件材料
| 阀体 | WCB | ZG1Cr18Ni9Ti | CF8 | CF3 | ZG1Cr18Ni12Mo2Ti | CF8M | CF3M |
| 球体 阀杆 | 1Cr13 | 1Cr18Ni9Ti | 304 | 304L | 1Cr18Ni12Mo2Ti | 316 | 316L |
| 阀座 | 聚四氟乙烯PTFE加坡纤增强聚四氟乙烯PTFE+Glass 对位聚笨PPL |
| 垫片 | 聚四氟乙烯PTFE不锈钢/柔性石墨 |
| 阀杆座 | 聚四氟乙烯PTFE不锈钢/柔性石墨 |
| 填料 | 聚四氟乙烯PTFE增强柔性石墨 |
| 填料压盖 | WCB | 1Cr18Ni9Ti | 304 | 304L | 1Cr18Ni12Mo2Ti | 316 | 316L |
| 温度 | 国产PTFE -10~100℃ 进口PTFE -10~100℃ |
| 介质 | 水、蒸汽、油品 | 硝酸类 | 强氧化介质 | 醋酸类 | 尿素类 |
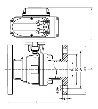
数 据

| 规格 | d | L | D | K | C | B | Z-ΦM | H |
| DN15 | 15 | 130 | 95 | 65 | 45 | 16 | 4-Φ14 | 205 |
| DN20 | 20 | 130 | 105 | 75 | 58 | 18 | 4-Φ14 | 207 |
| DN25 | 25 | 140 | 115 | 85 | 68 | 18 | 4-Φ14 | 252 |
| DN32 | 32 | 165 | 140 | 100 | 78 | 18 | 4-Φ18 | 264 |
| DN40 | 40 | 165 | 150 | 110 | 88 | 18 | 4-Φ18 | 270 |
| DN50 | 50 | 203 | 165 | 125 | 102 | 18 | 4-Φ18 | 316 |
| DN65 | 65 | 222 | 185 | 145 | 122 | 18 | 8-Φ18 | 341 |
| DN80 | 80 | 241 | 200 | 160 | 138 | 20 | 8-Φ18 | 366 |
| DN100 | 100 | 305 | 220 | 180 | 158 | 20 | 8-Φ18 | 391 |
| DN125 | 125 | 320/356 | 250 | 210 | 188 | 22 | 8-Φ18 | 450 |
| DN150 | 150 | 360/394 | 285 | 240 | 212 | 22 | 8-Φ22 | 485 |
| DN200 | 200 | 400/457 | 340 | 295 | 268 | 24 | 12-Φ22 | 530 |